Úvod:
Tento měřič indukčnosti umožňuje měřit indukčnost v širokém rozmezí 10uH - 2H.
Funguje jako doplněk pro digitální voltmetr nebo multimetr. Digitální multimetr lze totiž dnes sehnat pod 100Kč,
ale měřič indukčností je u multimetrů vzácnost a vyskytuje se pouze u těch nejdražších.
Popis činnosti:
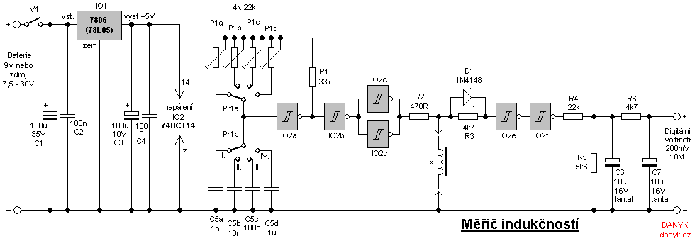
Základem tohoto jednoduchého měřiče je šestinásobný Schmittův obvod 74HCT14.
Indukčnost měřené cívky se odvozuje od doby, na kterou se po překlopení oscilátoru
udrží napětí na cívce nad určenou hranicí, danou spodním prahem Schmittu.
Změna rozsahů se provádí změnou frekvence oscilátoru.
IO2a tvoří oscilátor s přepínatelnou frekvencí. Přepíná se jednak C5a-d a také P1a-d.
Trimry P1a až P1d slouží ke kalibraci příslušných rozsahů.
IO2b slouží jako invertor, IO2c a IO2d jako zesilovač proudu.
Tyto tři invertory oddělují měřící část od oscilátoru, aby nedocházelo k jeho ovlivňování.
Střída oscilátoru je cca 25%.
V okamžiku, kdy se výstup IO2c-d dostane do log. 1, na cívce se indukuje plné napájecí napětí
5V. Toto napětí následně exponenciálně klesá a blíží se k nule. Je snímáno invertorem IO2e. Výstup
je ještě invertován obvodem IO2f, aby měl správnou polaritu. Na výstupu IO2f se objeví
log. 1 od chvíle, kdy se překlopil oscilátor do log. 1, do chvíle, než napětí na cívce klesne pod spodní práh Schmittu.
Délka pulzu na výstupu IO2f je úměrná indukčnosti měřené cívky. Výstupní filtr
R4, C6, R6, C7 převádí střídu na napětí. To je potom změřeno digitálním voltmetrem (multimetrem) nastaveným na rozsah 200mV.
Napájecí napětí měřiče je stabilizováno obvodem 7805 nebo 78L05 na 5V, protože má zásadní vliv na přesnost.
Kondenzátor C4 je nutno umístit co nejblíže k IO2. Odběr měřiče je jen cca 4 - 8mA a lze ho jednoduše napájet z destičkové baterie 9V.
Úpravy:
Obvod je inspirován zapojením měřiče se 74HC132, který se vyskytuje v téměř totožné podobě na asi deseti různých webech :), viz literatura.
Toto bezhlavě kopírované zapojení však trpí špatnou přesností a dalšími nedostatky. Proto jsem se rozhodl pro jeho úpravu.
Do obvodu jsem zařadil RD článek (D1 a R3), který umožňuje zotavení indukčnosti. Bez něj je totiž indukčnost
zablokována ochrannou diodou na vstupu snímacího Schmittu (anoda na zemi, katoda na vstupu) a nestíhá se mezi jednotlivými
cykly zotavovat. Zůstává v ní zbytkový proud, obvod se před dalším cyklem neustálí a měření je značně ovlivněno.
Původní zapojení také zbytečně obsahuje dvouvstupová hradla, která je lepší nahradit invertory. Ukázalo se, že
je lepší použít obvod z řady HCT, než HC. Ten má oba prahy umístěné níže a nesymetricky.
Střída oscilátoru se změní z 50% na 25%, což je vhodnější (cívka není pod proudem zbytečně dlouho a má více času na zotavení).
Nižší práh je také vhodnější pro měření malých indukčností. Nižší práh a střída odstraní i další neduhu původního zapojení:
Při příliš velké indukčnosti paradoxně ukazoval nulu namísto "1 _ _ _". Bylo to způsobeno tím,
že na velké indukčnosti při střídě 50% se vytvoří téměř obdélníkový průběh s
maximem na 2,5V, což vůbec nestačí k překlopení obvodu řady HC. U obvodu řady HCT se tento problém nevyskytuje.
K buzení cívky jsou spojeny 2 invertory paralelně, což zvýší zatížitelnost, sníží vnitřní úbytky a tím také přispěje k přesnosti.
Obvod řady HCT a nižší střída zajistí také menší spotřebu.
Na schématech v uvedené literatuře většinou úplně chybí blokovací kondenzátory
před a za 7805 (!!!). Zde se jedná o C1 až C4. Zjistil jsem, že využítí rozsahu 200mV poskytne mnohem lepší přesnost,
než rozsah 2V, protože měření na rozsahu 2V vyžaduje práci s dlouhými impulzy (do 40%) a obvod RL (R2 a Lx) by se nestihl před dalším cyklem ustálit.
V kombinaci s chybějící D1 a R3 to může znamenat chybu až desítky %. S děličem R4, R5 obvod pracuje s výstupními impulzy se střídou do 20%.
Zjistil jsem, že nulovací trimr (viz literatura) nemá smysl, protože výstupní napětí invertorů při log. 0 je zcela zanedbatelné.
Původní zapojení měla jen 1 - 2 rozsahy. Já jsem použil 4 rozsahy, aby bylo možno měřit i větší indukčnosti. Vyšší rozsahy používají
nižší frekvence - proto je použit dvoustupňový filtr.
Oživení:
Každý rozsah je nutno nakalibrovat podle známé indukčnosti. Ta by měla být nejlépe v hodnotě
50 - 90% daného rozsahu, tedy zobrazení "1000" - "1800". Kalibrace každého rozsahu se provede nastavením příslušného
trimru P1a až P1d tak, aby měřidlo ukazovalo správnou hodnotu.
Kdyby se vám nedařilo
měřič nakalibrovat, změňte hodnotu R1, hodnotu příslušného P1a-d nebo C5a-d.
Jednotlivé rozsahy jsou uvedeny v tabulce níže.
Pokud nepotřebujete měřit indukčnosti v tak velkém rozmezí, lze některé rozsahy vypustit.
Literatura:
pandatron.cz/?99&meric_civek
freecircuitdiagram.com/2009/05/12/inductance-meter-circuit
xtronic.org/circuit/digital-inductimeter-for-multimeter
electro2.webs.com/Inductance%20Meter.GIF
elektroarea.blogspot.com/2010/03/rangkaian-pengukur-induktansi.html
qsl.net/va3iul/Homebrew_RF_Circuit_Design_Ideas/Inductance_meter_using_DVM.gif
cqham.ru/projects/inductance_meter.jpg
geocities.ws/k7hkl_arv/K7HKL_Inductance_Meter.png




| Rozsah | Max. hodnota | Převod | Orientační pracovní frekvence |
| I. | 2mH | 10uH/mV | 30kHz |
| II. | 20mH | 100uH/mV | 3kHz |
| III. | 200mH | 1mH/mV | 300Hz |
| IV. | 2H | 10mH/mV | 30Hz |







