
Schématovník
Seznam konstrukcí
|
Přidat
|
Diskuze
|
danyk.cz
Stabilizovaný zdroj
Kategorie: Zdroje, měniče a nabíječky
Přidal:
Transcendentál
13.03.2015 (19:29:57) X U
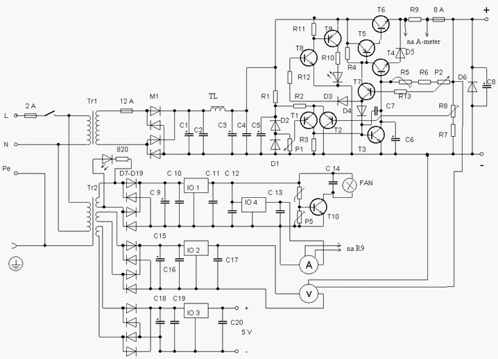
Skonštruovaný zdroj je z hľadiska svojej činnosti statický, využíva činnosť klasického sieťového transformátora so vstupnou frekvenciou 50 Hz. Zdroj umožňuje reguláciu výstupného napätia potenciometrom od 0 Volt až po maximálnu hodnotu výstupného napätia, ktorú nieje možné priebežne meniť (Uvýst max). Ďalej umožňuje reguláciu výstupného prúdu potenciometrom v širokom rozsahu dostačujúcom pre napájanie aj náročnejších obvodov, čo sa týka prúdového odberu. Transformátory Tr1 a Tr2 sú napájané sieťovým napätím , Tr1 dodáva napätie pre hlavnú časť zdroja (RG) , Tr2 dodáva napájanie pre pomocný zdroj (PZ ), ktorý napája merače výstupného napätia a prúdu (M) do záťaže.Na chladiči sú umiestnené aktívne výkonové prvky, ktoré sú prepojené s hlavnou časťou zdroja.
Najdôležitejšou časťou pre stavbu stabilizovaného napájacieho zdroja napájaného zo siete 230 V je transformátor. V realizovanom zdroji sú použité dva transformátory z dôvodu zamedzeniu rušenia výstupného stabilizovaného napätia motorčekom ventilátora chladiča a nutnosť oddeleného napájania pre digitálne meracie prístroje. Transformátor napájajúci hlavnú časť zdroja (Tr1) je z rozmerových dôvodov toroidného typu. Tento transformátor transformuje sieťové napätie 230 V na sekundárne 29 V pri celkovom výkone 300 W. Do primárneho aj sekundárneho okruhu je zaradená poistka pre ochranu pri poruchách a preťaženiach. Istenie oboch transformátorov na primárnej strane je realizované spoločnou tavnou poistkou Po1 (2 A).
Jadro zdroja:
Jadro zdroja pozostávajúce z regulátora napätia, regulátora prúdu, stabilizátora, prúdovej ochrany a signalizácie preťaženia je tvorené výlučne zapojením s tranzistormi. Napätie privádzané z mostíkového usmerňovača je filtrované ∏ -článkom tvoreným kondenzátormi C1,C2 a tlmivkou Tl1. Hodnota indukčnosti bola zistená na základe niekoľkých pokusov, indukčnosti boli vyberané skusmo navíjaním medeného drôtu o priemere 1,6 mm na teleso železového toroidného transformátora malých rozmerov . Filtrované napätie sa privádza na kolektor tranzistora T7 umiestneného na chladiči a aj na riadiacu časť (jadro zdroja).Vyhladené napätie je privádzané na stabilizátor napätia tvorený Zenerovou diódou D1 , ktorá slúži ako zdroj stabilizovaného napätia pre nastavenie hodnoty výstupného napätia potenciometrom P1.Z bežca potenciometra sa odoberá napätie pre diferenciálny zosilňovač tvorený tranzistormi T1 a T2 , ktorý porovnáva hodnotu nastaveného napätia a hodnotu výstupného napätia. Zdroj prúdu pre tento diferenciálny zosilňovač tvorí Zenerová dióda D2.Vzorka výstupného napätia sa privádza z odporového deliča R8 a R7 na bázu T2. Rozdiel výstupného napätia a napätia nastaveného na potenciometri P1 je snímaný z emitorového rezistora R3 tranzistora T1 a privádza sa na bázu tranzistora T3 , ktorý riadi činnosť výkonového regulátora zdroja. Výkonový regulátor tvoria tranzistory T4, T5 a T6 ,ktorý je umiestnený na chladiči. Pri nastavení maximálneho napätia potenciometrom P1 je T3 zavretý,pretože napätie UCB T1 je väčšie ako napätie UBE T1, teda na bázi T4 je nulové napätie. Úbytok napätia na rezistore R4 ( plné napätie na filtri) otvorí naplno tranzistor T5 a ten potom T6 a na výstupe sa objaví maximálne napätie. Pri znížení nastaveného napätia potenciometrom P1 sa pootvorí tranzistor T3 a tranzistor T4 sa privrie. Tranzistor T5 bude zosilňovať napätie získané z “deliča” R4 a napätia UCE na T4. T5 sa privrie, teda klesne napätie na báze T6 a zníži sa aj výstupné napätie. Vzorka výstupného napätia sa privádza na bázu T2 a ten zároveň nastavuje hodnotu maximálneho napätia, ktoré môže byť nastavené na výstupe zdroja, teda hodnota
Uvýst max , ktorá už bola spomenutá v popise . Hodnota maximálneho možného výstupného napätia sa nastavuje odporovým trimrom R8 a jeho hodnota môže byť od 10 V až do hodnoty napätia na filtračných kondenzátoroch. V zdroji je zabudovaný aj snímací rezistor R10,na ktorom je úbytok napätia aj pri minimálnom výstupnom prúde.Úbytok napätia na R9 sa sníma súčasne digitálnym meračom výstupného prúdu a elektronickou prúdovou poistkou. Úbytok napätia na rezistore R10 ,dióde D5 a úbytok na tranzistore T4 UBE sa privádza na odporový delič tvorený R5,R6 a P2. Rezistorom R5 sa nastavuje maximálna hodnota úbytku napätia na deliči a teda aj hodnota maximálneho výstupného prúdu. Potenciometrom P2 sa nastavuje hodnota prúdu pre prúdovú ochranu. Akčným členom prúdovej ochrany je tranzistor T7 , ktorý zosilňuje napätie získané z deliča R5,R6 a P2. Keďže sa napätie na potenciometri P2 mení nielen so zmenou prúdu , ale aj so zmenou nastaveného výstupného napätia , je kolektor T7 napájaný z bázy tranzistora T4. Týmto zapojením som dosiahol , že napätie UBE T7 je pre rôzne výstupné napätia, ale pre rovnaké výstupné prúdy rovnaké. Kondenzátor C6 slúži na kompenzáciu zvlnenia pri stabilizácii napätia a zabráneniu zakmitávania pri zmenách napäťových a prúdových pomerov v obvode. Ak sa dosiahne požadované napätie UBE na T7 , uvedie sa tento tranzistor do vodivého stavu a privedie napätie približne 0,56 V na bázu tranzistora T3, ktorý sa následne otvorí a na bázu T4 pripojí nulové napätie a tým klesne výstupné napätie na nulu. Z kolektora T7 sa sníma ešte aj napätie pre signalizáciu činnosti prúdovej ochrany. Toto napätie sa privádza na tranzistorový zosilňovač tvorený T8 a T9. Tieto tranzistory zosilňujú prúd získaný z T7 na hodnotu potrebnú pre rozsvietenie LED diódy signalizácie. Pri znížení výstupného prúdu pod nastavenú medzu poklesne napätie aj na báze T7 , aj na báze T3 , teda aj na báze T8 a LED dióda zhasne.
Postup navíjania sieťového transformátora:
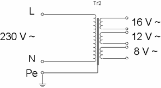
Pre navíjanie sieťových transformátorov je potrebné najskôr si teoreticky vypočítať počty závitov pre jednotlivé vinutia. Ja som sa rozhodol si pomocný sieťový transformátor zhotoviť si sám. Mal som kostričku transformátora aj s trafoplechmi, no bez vinutí. Prvým parametrom, ktorý je dôležitý pri navíjaní transformátora je Obsah prierezu jadra. V mojom prípade bol otvor rozmerom 1,8 x 1,8 cm, čo je teda 3,24 cm2 . Pre výpočet počtu závitov jednotlivých vinutí je potrebné vydeliť konštantu 45 obsahom jadra konkrétneho transformátora a násobiť výsledok potrebným počtom závitov. Pre primárne vinutie 230V je to teda 3194 závitov. K tomuto číslu sa pridáva + 10% pre kompenzáciu strát a výkyvov v sieti, teda výsledná hodnota primárneho vinutia je 3513 závitov. Tieto straty sa kompenzujú aj na sekundárnej strane. Pre sekundárne napätia 8;12 a 16 V bude treba navinúť (po pripočítaní strát) 122 závitov pre 8 V, 183 závitov pre 12 V a 245 závitov pre 16 V. priemer drôtu pre jednotlivé vinutia sa vypočíta podľa požadovaného zaťaženia. Maximálny výkon, ktorý je schopný transformátor prenášať je druhá mocnina prierezu jadra , teda cca 10 VA. Pre daný rozmer sieťového transformátora je prúdová hustota 2,5 Am-2 . Požiadavka pre odber prúdu na vinutí 8 V je 20 mA, čo odpovedá priemeru drôtu 0,1mm , pre vinutie 12 V je požiadavka 1 mA, čo dopovedá priemeru drôtu 0,02 mm a pre vinutie 16 V je požiadavka na 200 mA, čo odpovedá priemeru drôtu 0,28 mm. V prípade použitia drôtu o priemere 0,28mm som nahradil drôt hrubším , teda 0,3mm, nakoľko drôt uvedeného priemeru sa nevyrába.Po prepočítaní všetkých potrebných parametrov som transformátor navinul ručne, medzi primárnym a jednotlivými sekundárnymi cievkami som použil izolačné preklady. Po navinutí transformátora som transformátor premeral Megaohmmemtrom, premeral napätia po pripojení na oddelovací transformátor a zmeral som aj odber naprázdno. Celkový výkon transformátora bude teda 3,312 VA, čo spĺňa maximálny povolený transformovaný výkon cez transformátor. Transformátor sa v uvedenom zapojení nebude zahrievať, prakticky odskúšané poznatky – transformátor sa nezahrieval ani po niekoľkých hodinách prevádzky.
Viac informácii tu: