
Schématovník
Seznam konstrukcí
|
Přidat
|
Diskuze
|
danyk.cz
Přímo zesilující AM přijímač
Kategorie: Vysílače a přijímače
Přidal:
Switch02
18.03.2015 (19:38:03) X U
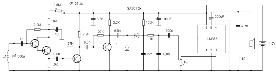
Cívka má 90 závitů na feritové tyčince dlouhé 10-30cm.a každém 15 závitu je odbočka na kterou potom budeme připojovat anténu a vstup přijímače. Tím se mění její indukčnost a tím i přijímané pásmo jde to asi od 100kHz do 40MHz. Na obrázku je cívka ze starého rádia s vazebním vinutím pro připojení antény. Ladící kondenzátor je ze starého rádia ale dá se i koupit. Nízko frekvenční stupeň obstará IO LM386 má výkon 0,5W a dobrou účinnost takže se hodí na bateriový provoz. Reproduktor je jakýkoliv který máme.