
Schématovník
Seznam konstrukcí
|
Přidat
|
Diskuze
|
danyk.cz
Stmievač pre žiarovky (230V)
Kategorie: Pro domácnost
Přidal:
Zepto
19.04.2015 (17:52:17) X U
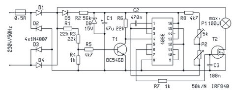
!!!Pozor, v zapojení sa pracuje so sieťovým napätím 230V, pri neodbornej manipulácii môže dojsť k úrazu elektrickým prúdom!!!
Sieťové napätie je dvojcestné usmernené, cez oddeľovaciu diódu D5 a zrážací rezistor R2 je privedené na Zenerovú diódu D6, ktorá stabilizuje napätie pre IO1 ( jej prúd je 300uA ) a T1, ktorý pracuje ako detektor poklesu napätia na nulu. Na jeho kolektore sa objavuje 100krát za sekundu úzky ihlový impulz, ktorý spúšťa monostabilný klopný obvod s dobou behu max. 10ms ( jedna polvlna ). Plynulá regulácia tohto času je nastaviteľná potenciometrom P2 asi od 3% - 98%.
Z výstupu MKO je riadený tranzistor MOSFET T2 so záťažou v kolektore napájanou usmerneným pulzujúcim sieťovým napätím. Regulátor teda absolútne neruší, pretože záťaž je spínaná vždy v nule a nevzniká žiadne rušenie. Po dôkladnom osadení DPS súčiastkami vytočíme P2 na doraz doprava. Pokiaľ by žiarovka stroboskopicky blikala, tak tento jav sa odstráni trimrom P1, trimrom P1 sa nastaví aj to, aby žiarovka úplne zhasla. T2 je MOSFET netreba ho absolútne chladiť ani pri plnej záťaží 125W ( čo je max. výkon tohto tranzistora ). zapojenia počas prevádzky sa nechytajte, keďže nie je galvanicky izolovaný od siete 230V. Tak isto sa nechytajte ani tranzistora T2, keďže na jeho zadnej strane puzdra, je vodivá plocha, kde je taktiež nebezpečné napätie. Trimer P1 je prispájkovaný zo spodnej strany DPS.