
Schématovník
Seznam konstrukcí
|
Přidat
|
Diskuze
|
danyk.cz
Indikátor vlhkosti
Kategorie: Pro domácnost
Přidal:
MHB4116C
23.05.2015 (15:44:52) X U
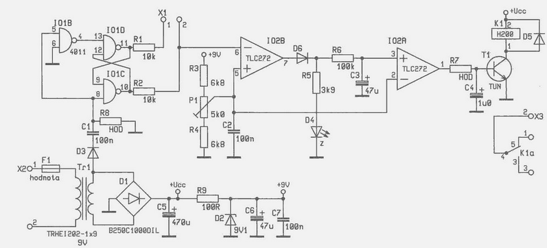
Prakticky je obvod určen pro sledování vlhkosti zeminy při pěstování rostlin. Princip měření využívá změny vodivosti půdy v závyslosti na vhkosti, tedy obsahu vody v zemině. Stačí tedy vhodným způsobem sledovat měnící se elektrický odpor a ani nepotřebujeme znát jeho absolutní velikost. Jako odporový snímač poslouží dvě elektrody z nekorodujícího materialu, kupříkladu uhlíkové tyčinky získané z vybitých monočlánků. Ty upevníme do vhodného izolačního držáku se vzdáleností asi 20 mm mezi sebou a opatříme dobře izolovaným kablíkem. Celek potom zastrčíte do půdy v místě, které hodláte sledovat a připojíme k dále popsanému obvodu.
Snímací odporová sonda je napájena střídavým napětím, aby se vyloučily elektrochemické účinky stejnosměrného proudu. Pro omezení proudu v případě přiliš malého odporu nebo zkratu jsou do obou přívodů k sondě zařazeny shodné rezistory R1 a R2. Toto střídavé napětí obdélníkového průběhu se získá ze dvou hradel NAND zapojených jako klopný obvod R-S. Hradla jsou buzena kmitočtem 50 Hz ze sekundáru napájecího transformátorupřes diodu D3. Vlivem kondenzátoru C1, rezistoru R8 vznikají krátké jehlové impulzy použité pro řízení jednoho z hradel přímo a druhého po inverzi v IO1B. Napětí z jednoho vývodu sondy je přivedeno na invertující vstup prvního komparátoru, tvořeného jednou polovinou operačního zesilovače IO2B. Referenční napětí pro komparátor se odebírá z z nastavitelného děliče R3/P1/R4 filtrovaného C2.
Při nulovém odporu sondy je mezi jejími vývody právě polovina napájecího napětí. To platí ovšem teoreticky pouze v případě, že obě budící hradla mají naprosto shodné výstupní parametry. Prakticky lze tuto podmínku považovat za splněnou, protože obě hradla jsou na společném čipu. Nastavíme-li nyní odporovým trimrem referenční napětí pro neinvertující vstup prvního komparátoru kupříkladu na +4,5 V, tedy o 0,5 V pod střed napájecího napětí, pak výstup bude trvale poblíž 0 V. Vycházíme přitom ze zjednodušujícího příkladu, že napájecí napětí je přesně +9V, což asi nebude v praxi pravda. Jestliže nyní zařadíme mezi vývody sond odpor 2,5k, pak záporná úroveň obdélníkového napětí na sondě bude dosahovat právě +4,5V. Při poklesu odporu mezi vývody sondy se rozkmit zvětší a překročí nastavenou referenční hodnotu (rovněž můžeme odpor ponechat a poněkud zvýšit referenční napětí - efekt bude stejný). V tom okamžiku ale již překlopí komparátor a napětí na jeho výstupu bude blízké kladnému napajecímu napětí. Dioda D6 se otevře, rozsvítí se LED a s určitým zpožděním, daným časovou konstantou R6/C3, se překlopí i druhý komparátor IO2A. Za ním pak následuje opět přes RC člen spínací rezistor pro relé. Kontakty relé jsou dimenzovány pro střídavé napětí 230 V a proud až 6 A. Z relé jsou vyvedeny oba kontakty i kotva, takže je možné podle potřeby spotřebič zapínat nebo vypínat. Popis hodnot klopení prvního komprarátoru vychází z předpokladu, že napájecí napětí bude přesně 9V, což asi nebude pravda.
Obvod je napájen ze sítě přes vlastní transformátor s usměrňovačem a filtrací. Napájecí napětí je jednoduše stabilizováno Zenerovou diodou o napětí 9,1V a filtrováno kondenzátorem C6. Kondenzátor C7 je připojen těsně napájecích vývodu IO2 a má zabránit kmitání tohoto operačního zesilovače.
Celý obvod je uspořádán vcelku na málé desce spojů, včetně relé a síťového trafa. Většínu součásdtek osadíme běžnám způsobem, ale poněkud choulostivější je IO1, který je vyroben technologií CMOS, a je proto náchylný k průrazu statickým nábojem. Tedy nenechávat ho volně nastole a zbytečně se nedotýkat vývodů. Po osazení pečlivě zkontrolujeme, zda jsou všechny body zprávně zapájeny a zda není někde zkrat. Pk již můžeme nasadit pojistku a opatrně přistoupit k oživení. K tomu můžeme využít postup uvedený v popisu činosti, tedy zkratovat vývody pro sondu a změřit napětí, dále místo sondy zapojit pevný rezistor. Poslední prací bude připojení sondy v reálném prostředí a nastavení trimru, tedy referenčního napětí na zprávnou velikost, která zajistí spínání relé právě tehdy, kdy vhkost půdy bude odpovídat našim představám.