
Schématovník
Seznam konstrukcí
|
Přidat
|
Diskuze
|
danyk.cz
Měnič 12V pro flexu
Kategorie: Zdroje, měniče a nabíječky
Přidal:
samponek
16.08.2015 (15:21:49) X U
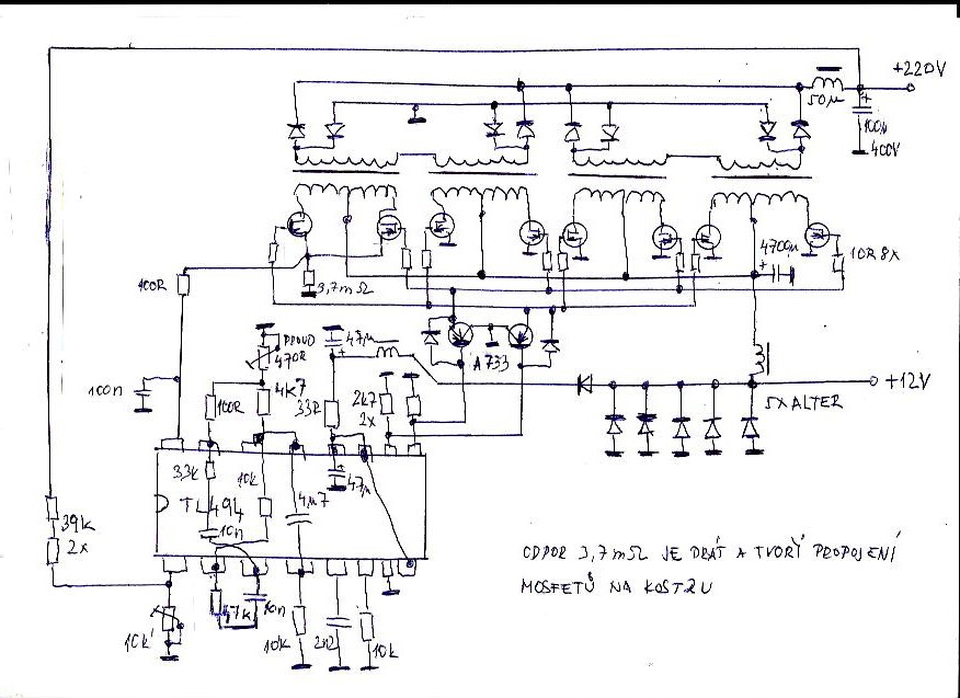
Výstup je stejnosměrný, mosfety jsou IRFP054N, nebo IRFZ44, trafa jsou EI40 z PC zdrojů.
Všechny S mosfetů jsou propojené a spojka, která vede na šroub mínus tvoří snímací odpor pro proudovou zpětnou vazbu. Výstupní napětí i proud se dá nastavit trimry.
Proti přepólování je tam pět alternátorových diod, které vedou na šroub plus, při déle trvajícím přepólování se spoj ke šroubu přepálí.
Druhý měnič je s toroidním trafem, budící trafo je z tiskárny, vinutí pro báze má 20 závitů trifilárně lankem z vychylovacích cívek z monitoru, zpětnovazební vinutí má 30 závitů 1mm. Původní sekundární vinutí je využito jako budící. Obvod s šesti tranzistory udržuje měnič v chodu a řídí kmitočet.
Odběr naprázdno je 50mA/12V
Velký toroid má vinutí 2x11V / 230V (primár 2x3.15 Cu bavlna a sekundár 1mm Cu bavlna ) Prvně je vinutý sekundár. Tranzistory 20x KD503 jsou dokola na plechu bez slíd, dole propojené báze a emitory a tvoří plus 12V. Mínus je střed trafa, diody a kondík 4700mikro šuntuje přepětí na tranzistorech při zatížení.