Schématovník
Seznam konstrukcí  |  Přidat  |  Diskuze  |  danyk.cz

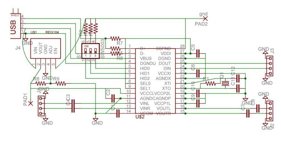
USB AD/DA s PCM2904



Kategorie: Audio a video
Přidal: Vrtichvost 17.01.2014 (18:29:03) X U
Vysoce kvalitní externí zvuková karta.
schéma - USB AD/DA s PCM2904
USB AD/DA s PCM2904 - schéma

Fotogalerie

fotka - USB AD/DA s PCM2904
Obr. 1

fotka - USB AD/DA s PCM2904
Obr. 2


(Diskuze byla zrušena kvůli spamu)





Schématovník je veřejná databáze informací a diskuze. Jeho obsah je tvořen uživateli. Veškerý vložený text i obrazové materiály jsou duševním majetkem svých autorů. Uživatel je odpovědný za uživatelský obsah. Podmínky.