Schématovník
Seznam konstrukcí  |  Přidat  |  Diskuze  |  danyk.cz

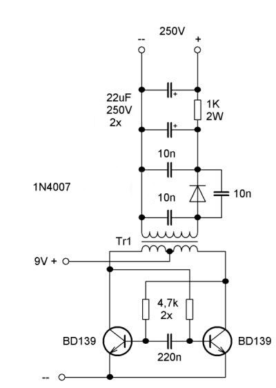
Měnič 9V na 250V (pro elektronky) s klasickým trafem



Kategorie: Zdroje, měniče a nabíječky
Přidal: Kamil 17.01.2014 (19:15:02) X U
Transformátor stačí libovolný malý, 230V/2x9V. Tranzistory potřebují chladič.
schéma - Měnič 9V na 250V (pro elektronky) s klasickým trafem
Měnič 9V na 250V (pro elektronky) s klasickým trafem - schéma


(Diskuze byla zrušena kvůli spamu)





Schématovník je veřejná databáze informací a diskuze. Jeho obsah je tvořen uživateli. Veškerý vložený text i obrazové materiály jsou duševním majetkem svých autorů. Uživatel je odpovědný za uživatelský obsah. Podmínky.