
Schématovník
Seznam konstrukcí
|
Přidat
|
Diskuze
|
danyk.cz
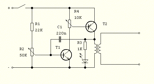
Šokovač (pozor nebezpečné!)
Kategorie: Ostatní
Přidal:
Neznámý
17.01.2014 (19:19:22) X U
Tento obvod slouží na pobavení přátel. Na výstupu je vysoké napětí, které není životu nebezpečné. Může vás však kopnout, proto buďtě opatrní.
Druhé zapojení není tak účinné, ale je jednoduchší.