
Schématovník
Seznam konstrukcí
|
Přidat
|
Diskuze
|
danyk.cz
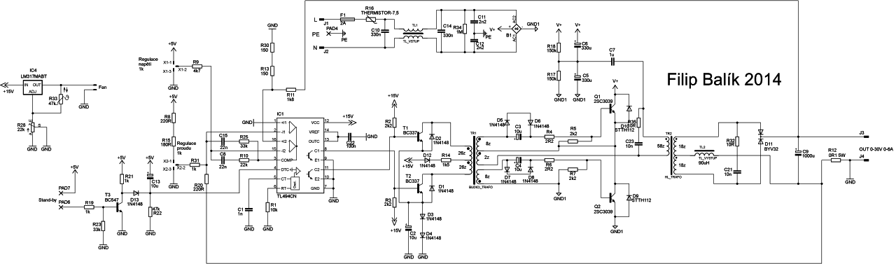
Spínaný regulovaný zdroj 0-30V 0-6A
Kategorie: Zdroje, měniče a nabíječky
Přidal:
Filip alias Antibalda
19.01.2014 (19:59:19) X U
Jedná se spínaný laboratorní stabilizovaný zdroj. Napětí i proud je plynule nastavitelný od samý nuly až po max. Dá se postavit na vnitřnostech PC zdroje. Zvolená topolozie zdroje je polomost s bipolárními tranzistory 2SC3039. Celé zařízení řídí veleznámý integráč TL494. Zbytek snad vyplývá ze schématu. Jelikož tento schématovník podporuje pouze jedno schéma, takže chybí pomocný napájecí zdroj s obvodem TNY267. Dám ho do stejné kategorie pod název "Zdroj s TNY267".
No a na závěr nezbytné upozornění : !!! VE ZDROJI JE ŽIVOTU NEBEZPEČNÉ NAPĚTÍ ! KONDENZÁTORY MOHOU ZŮSTAT NABITÉ I PO ODPOJENÍ ! VŠE DĚLÁTE NA VLASTNÍ NEBEZPEČÍ, ZA ÚJMY NA ZDRAVÍ, MAJETKU NEBERU ŽÁDNOU ZODPOVĚDNOST !!!