
Schématovník
Seznam konstrukcí
|
Přidat
|
Diskuze
|
danyk.cz
120W zesilovač s LM4780
Kategorie: Audio a video
Přidal:
Filip
2.02.2014 (00:13:36) X U
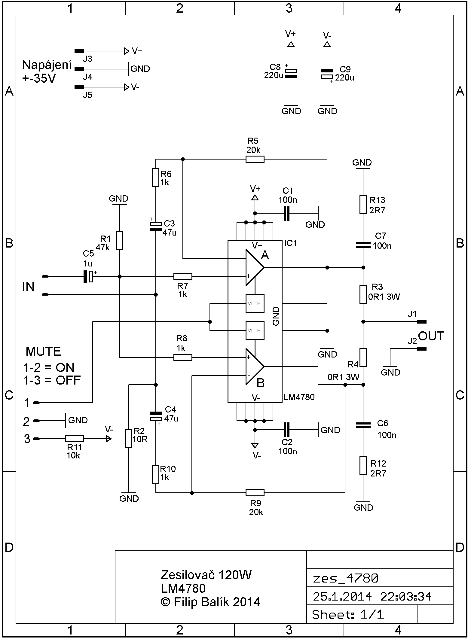
Konstrukce vychází z katalogového zapojení známého integráče LM4780 od firmy Texas Instruments. Jedná se o paralelní zapojení dvou vnitřních zesilovačů. Toto zapojení je výhodnější než zapojení do "mostu", protože zesilovač může pracovat i do menší impedance než 8R ( 4R ). Zapojení se napájí symetrickým napětím +-35V a je nutná ještě další externí filtrace !
V případě zájmu, mohu poslat originální EAGLE soubory, kontakt na e-mailu : antibalda@seznam.cz