Schématovník
Seznam konstrukcí  |  Přidat  |  Diskuze  |  danyk.cz

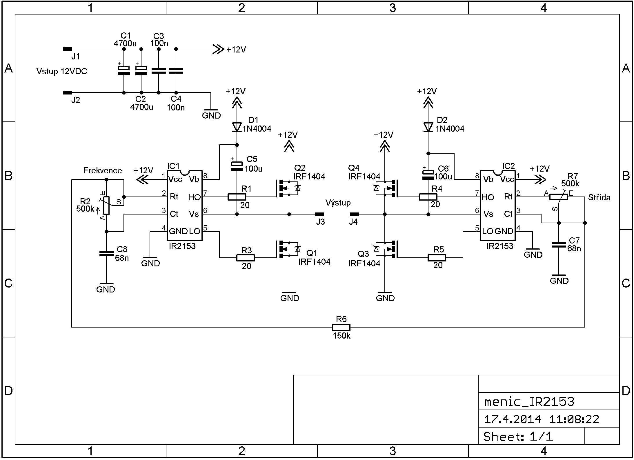
Střídač s IR2153



Kategorie: Zdroje, měniče a nabíječky
Přidal: Filip 17.04.2014 (22:34:51) X U
Podrobný popis a návrh plošného spoje naleznete zde : http://hobbyelektro.eu/zdroje-menice_stridac.php
schéma - Střídač s IR2153
Střídač s IR2153 - schéma

Fotogalerie

fotka - Střídač s IR2153
Obr. 1


(Diskuze byla zrušena kvůli spamu)





Schématovník je veřejná databáze informací a diskuze. Jeho obsah je tvořen uživateli. Veškerý vložený text i obrazové materiály jsou duševním majetkem svých autorů. Uživatel je odpovědný za uživatelský obsah. Podmínky.