
Schématovník
Seznam konstrukcí
|
Přidat
|
Diskuze
|
danyk.cz
Aktivní PFC
Kategorie: Zdroje, měniče a nabíječky
Přidal:
Filip
12.05.2014 (20:46:49) X U
Toto je jedna možná verze konstrukce aktivního PFC s integráčem od firmy Texas Instruments. Funkci PFC zde ani nebudu popisovat. Toho je na netu až moc.
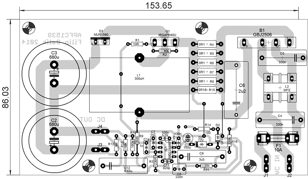
Na obrázku 1 je schéma celího PFC. Je to vlastně katalogově doporučené zapojení obvodu UCC28019. Celkový výkon by měl být 1500W. Napájení v rozmezí 85-265Vac 50-60Hz, výstup 390Vdc. Korekce účiníku na 0,99, účinnost lepší než 90%. To je asi vše, na dalších obrázcích je DPSka, osazovací plán a ještě jsem našel nějaký výpočty k tomu.
POZOR !!! VE ZDROJI JE SMRTELNÉ NAPĚTÍ ! VŠE DĚLÁTE NA VLASTNÍ NEBEZPEČÍ, ZA PŘÍPADNÉ ÚRAZY, ŠKODY NA MAJETKU NEBERU ŽÁDNOU ZODPOVĚDNOST !!!
V případě potřeby mohu zaslat originální EAGLE soubory, kontakt na emailu : antibalda@seznam.cz
Také můžete navštívit stránky www.hobbyelektro.eu, kde naleznete další návody a konstrukce.
Filip Balík
Hobbyelektro.eu