
Schématovník
Seznam konstrukcí
|
Přidat
|
Diskuze
|
danyk.cz
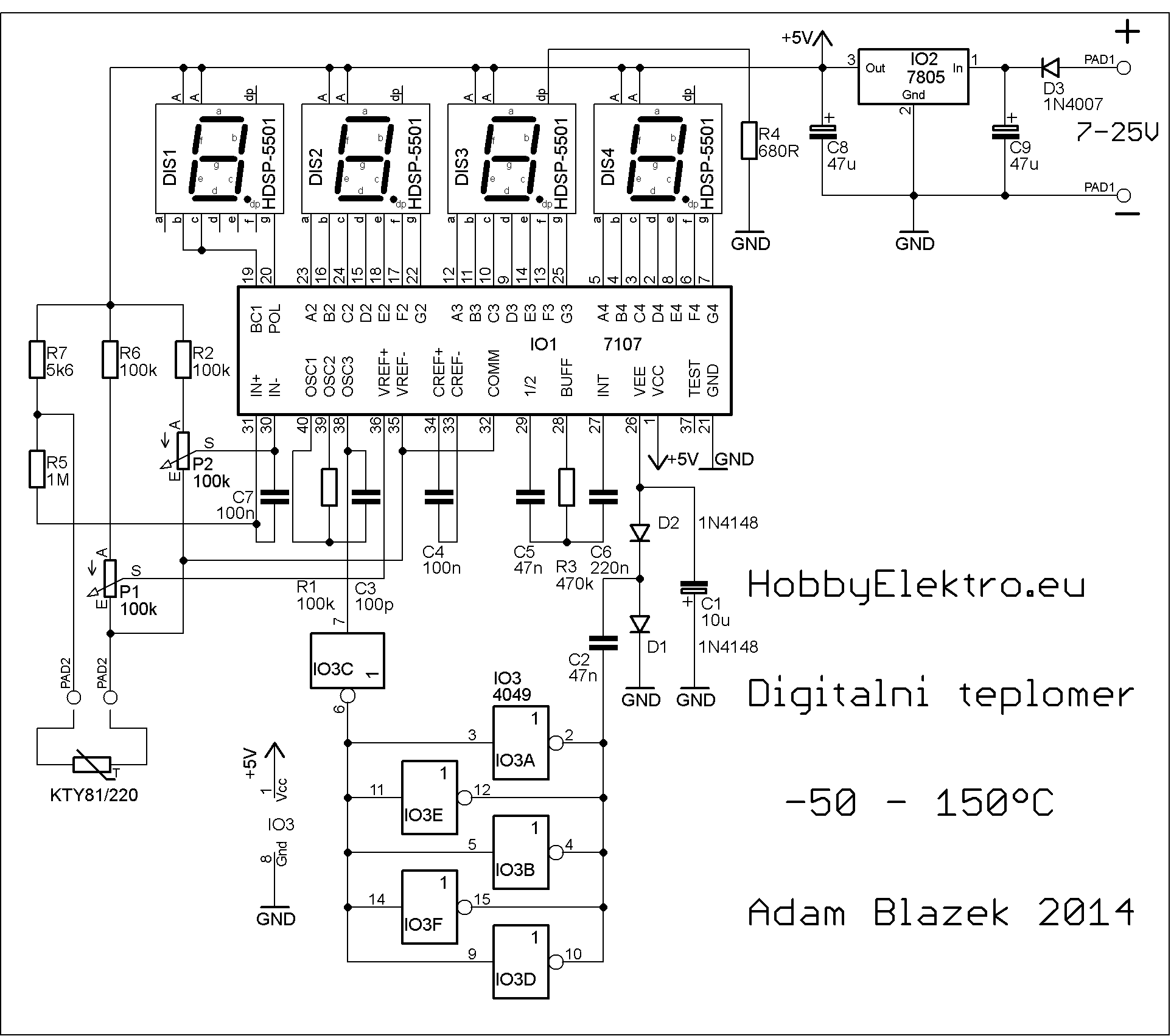
Teploměr s A/D 7101
Kategorie: Měření a testování
Přidal:
Adam - hobbyelektro
30.05.2014 (14:12:40) X U
Jedná se o teploměr s A/D přivodníkem, který snímá teplotu od -50°C do +150°C pomocí přesného děliče. Ostatní informace a plošný spoj naleznete na:
http://www.hobbyelektro.eu/merice-casovace-testery_teplomer.php