
Schématovník
Seznam konstrukcí
|
Přidat
|
Diskuze
|
danyk.cz
Autozesilovač 55W s TDA1562Q
Kategorie: Audio a video
Přidal:
Adam - hobbyelektro
17.07.2014 (22:11:48) X U
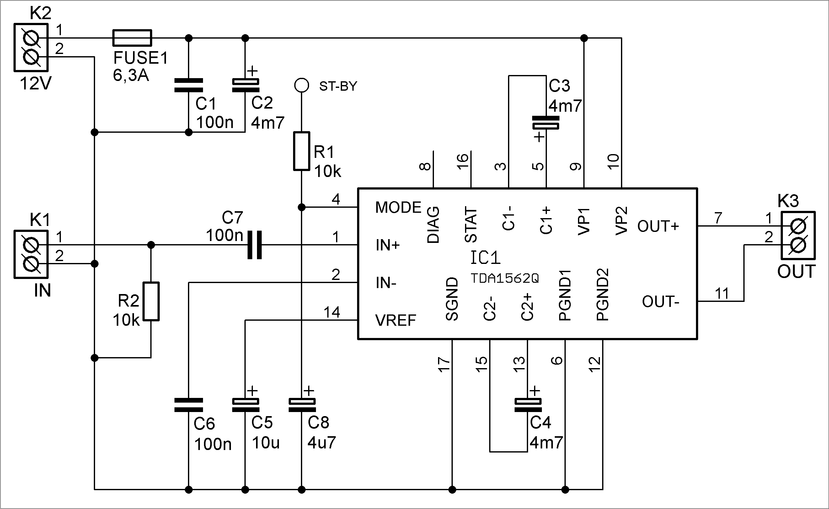
Jedná se o klasické zapojení s integrovaným zesilovačem. Jeho kvalita nedosahuje valných výsledků, pouze je výhodný kvůli své mobilitě. Napájecí napětí až 18V, určený k napájení z autobaterie. Dokáže dosáhnout výkonu až 70W (při 1kHz), ale 10% zkreslení, stabilně však 55W (při 1kHz) se skreslením 0,5%.
Výstup IO je opatřen ochranou proti zkratu, či dotykem s napájecím napětím nebo gnd. Ostatní body viz datashit.